
Válvula de aguja de interfaz (rosca interna NPT)
La válvula de aguja de interfaz Shandong Saisite es una forma de sellado de metal a metal que se puede utilizar para medios gaseosos y líquidos y puede mantener una buena seguridad y estabilidad incluso en entornos extremos.Para garantizar la trazabilidad de las válvulas, Shandong Saisite cuenta con registros de datos detallados para cada válvula de cierre de alta presión, como el número de lote, la presión máxima de trabajo, el número de pieza, el modelo y el nombre.
Al adoptar un diseño especial, el material del anillo de sellado de la válvula estándar se puede usar en temperaturas extremas, que es grafito de politetrafluoroetileno y se puede usar a temperaturas de hasta 450 F (230 ° G). Las válvulas fabricadas con materiales resistentes a altas temperaturas u otros materiales de sellado pueden funcionar en entornos que oscilan entre -423 °F y 1200 °F (-252 °C y 650 °C), con los modelos de sufijo correspondientes, como se muestra en la siguiente figura:
Características de la válvula de aguja
Diseño de barra de elevaciónLa parte en contacto con el medio está hecha de acero inoxidable y el vástago de la válvula es 17-4PH, que tiene una excelente resistencia a la corrosión.La forma de sellado de metal con metal tiene un buen efecto de sellado y extiende la vida útil de la aguja y el asiento de la válvula, asegurando la durabilidad del ciclo.El uso de un anillo de sellado de PTFE+grafito y un anillo de soporte metálico hace que el sellado de la aguja de la válvula sea más confiable.Las agujas de las válvulas que no giran pueden evitar el desgaste del asiento de la válvula.El material utilizado para el manguito de la aguja de la válvula y el manguito del tornillo reduce el par de rotación y aumenta la vida útil de la rosca.
Todas las superficies roscadas de los manguitos de las agujas de las válvulas se han sometido a un tratamiento de rodadura para garantizar un funcionamiento suave.
Si su rango de temperatura de trabajo es de 1 (-17) a 450 F (230 C), Shandong Saisite recomienda utilizar componentes con conexiones tubulares y materiales de sellado PTE.
Cuando se utilizan selladores anaeróbicos, se deben seguir los requisitos de uso del fabricante del sellado. Aguja de válvula cónica, utilizada para ajustar y cerrar.
**El valor Cv es un coeficiente de flujo directo de dos dígitos. Sobre esta base, el valor Cv de una válvula de dos vías en ángulo recto debe aumentarse en un 50 %.
***Consulte la tabla de correspondencia entre presión y temperatura.

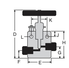
El tamaño de rosca para la instalación del panel es M6 (incluidos los tornillos). Todas las especificaciones y dimensiones son solo de referencia. Si hay algún cambio, el derecho de interpretación pertenece a Shandong Saisite.
Válvula de aguja de alta presión
Las especificaciones de conexión de alta presión especial (cono y rosca) de Shandong Saisi tienen diámetros exteriores de tubería de acero de 1/4 "y 3/8".
Tipo de superficie cónica:


Tipo roscado: 

El tamaño de rosca para la instalación del panel es M6 (incluidos los tornillos). Todas las especificaciones y dimensiones son solo de referencia. Si hay algún cambio, el derecho de interpretación pertenece a Shandong Saisite.

Shandong Shineeast Fluid Control Systems Co., Ltd., fundada en 2001, es un fabricante profesional de equipos de manipulación de fluidos y gases de alta ingeniería diseñados para generar, almacenar y controlar gases y líquidos a alta presión.
Además de ofrecer una amplia gama de bombas de líquido impulsadas por aire, impulsores de presión de aire, impulsores de gas impulsados por aire, válvulas, accesorios y accesorios de alta presión, unidades de energía neumáticas y prensas hidráulicas, máquinas de prueba de presión, equipos de prueba de accesorios de válvulas y tuberías, bombas de acabado. y equipos relacionados, equipos de prueba de cilindros de gas y controles y equipos de prueba especiales para campos de petróleo y gas, personalizamos y construimos paquetes de energía neumáticos y equipos de prueba. Nuestras principales ubicaciones de fabricación están totalmente registradas según ISO9001 y CE.


Consulta en línea
Si tiene alguna pregunta, comuníquese con nosotros y nos comunicaremos con usted lo antes posible.
CONTÁCTENOS
Utilice el siguiente formulario para ponerse en contacto.
Si necesita una respuesta nos pondremos en contacto lo antes posible.